}

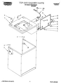
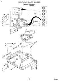
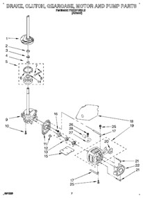
Model Number: 7RAX5133AL0

Make: WHIRLPOOL CORPORATION

Model Number