Model Number
-
1
AM9C961005CNAB
-
2
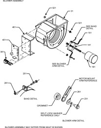
Select a section diagram for - AM9C961005CNAB
-
3
Loading parts of sections





