Model Number
-
1
FFTR1821QW3
-
2
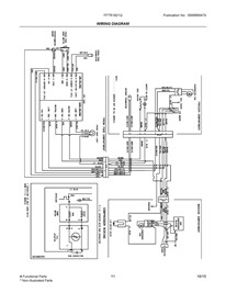
Select a section diagram for - FFTR1821QW3
-
3
Loading parts of sections





