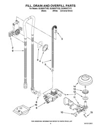
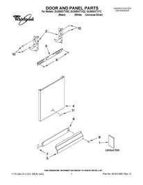
Model Number
-
1
GU3600XTVY2
-
2
Select a section diagram for - GU3600XTVY2
-
3
Loading parts of sections





