Model Number
-
1
P1106903F
-
2
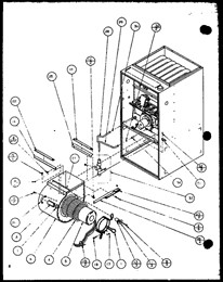
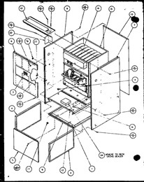
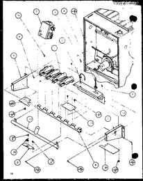
Select a section diagram for - P1106903F
-
3
Loading parts of sections





