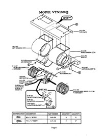
Model Number
-
1
VTR1000Q
-
2
Select a section diagram for - VTR1000Q
-
3
Loading parts of sections





