Model Number
-
1
WSM2420D3WW
-
2
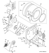
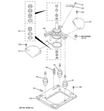
Select a section diagram for - WSM2420D3WW
-
3
Loading parts of sections





